油箱油位液位指示器RUT-81A,RUT-81B,RUT-81C
专为测量汽轮机液位行程而设计的 ,与油箱油位监控仪相配合,具有液位行程的远传指示,报警,恒流输出等功能。采用中频差动变压器式位移传感器作为传感元件,是一种高可靠的LVDT位移传感器。具有结构简单、高、免保护等优点。
RUT-81系列油箱油位传感器
RUT-81系列油箱油位传感器,是非腐蚀液体现场,远传测量液位的理想指示装置。特别在汽轮机油箱油位测量中得到长期、广泛使用。
RUT-81型远传液位指示器,一套装置具备二种工作方式,浮筒在液体中产生浮力,直接推动中心杆体,在杆体上部装有红色指针,直接指示液位,且表面清晰,视距大,观察方便;另外,中心推杆在上下移动时,带动辅助拉杆,使拉杆顶端的衔铁在有中频源激励的线圈中移动,线圈的电压发生变化,经二次仪表检波放大,将浮筒上下浮动的位移量转换为线性电量,使液位变化远传到控制室。
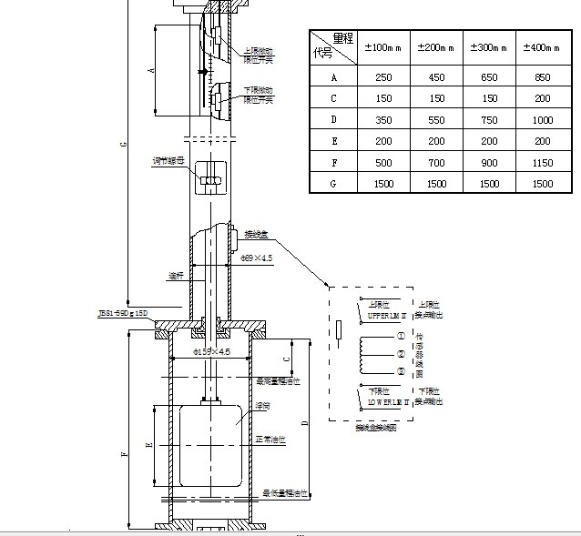
技术指标:
1. 量程:±100mm ±200mm ±300mm ±400mm(量程由用户自定)
2. 参考重量:
A型:±200mm 约40Kg
B型:±200mm 约45Kg
C型:±200mm 约50Kg
3. 被测量液体:各种汽轮机油;用于其它非粘滞、非强腐蚀液体的液位测量时,可调节配重来适应。
4. 准确度:≤±3mm(满量程)
5. 被测量液体温度:<85℃


